Product Summary
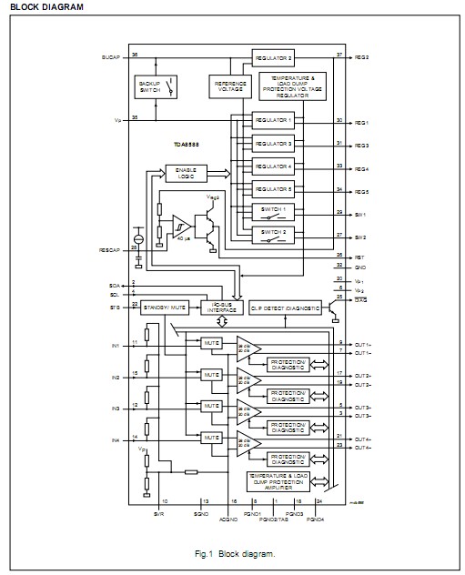
The TDA8588BJ has a complementary quad audio power amplifier that uses BCDMOS technology. The TDA8588BJ contains four amplifiers configured in Bridge Tied Load (BTL) to drive speakers for front and rear left and right channels. The I2C-bus allows diagnostic information of each amplifier and its speaker to be read separately. Both front and both rear channel amplifiers can be configured independently in line driver mode with a gain of 20 dB (differential output).
Parametrics
TDA8588BJ absolute maximum ratings: (1)supply voltage operating: 18 V; (2)supply voltage, not operating: -1 to +50 V; (3)supply voltage with load dump protection: 0 to 50 V; (4)voltage on pins SDA and SCL: 0 to 7 V; (5)voltage on pins INn, SVR, ACGND and DIAG: 0 to 13 V; (6)voltage on pin STB: 0 to 24 V; (7)non-repetitive peak output current: 10 A; (8)repetitive peak output current: 6A; (9)AC and DC short-circuit voltage, short-circuit of output pins across loads and to ground or supply: 18 V; (10)reverse polarity voltage voltage regulator only: -18 V; (11)total power dissipation, Tcase =70 ℃: 80 W; (12)junction temperature: 150℃; (13)storage temperature: -55 +150℃; (14)ambient temperature: -40 +85 ℃; (15)electrostatic discharge voltage: 2000 V, 200 V.
Features
TDA8588BJ features: (1)I2C-bus control; (2)Can drive a 2Ω load with a battery voltage of up to 16 V and a 4Ω load with a battery voltage of up to 18 V; (3)DC load detection, open, short and present; (4)AC load (tweeter) detection; (5)Programmable clip detect; 1 % or 4 %; (6)Programmable thermal protection pre-warning; (7)Independent short-circuit protection per channel; (8)Low gain line driver mode (20 dB); (9)Loss-of-ground and open VP safe; (10)All outputs protected from short-circuit to ground, to VP or across the load; (11)All pins protected from short-circuit to ground; (12)Soft thermal-clipping to prevent audio holes; (13)Low battery detection.
Diagrams

| Image | Part No | Mfg | Description | ![]() |
Pricing (USD) |
Quantity | ||||
|---|---|---|---|---|---|---|---|---|---|---|
![]() |
![]() TDA8588BJ/N3 |
![]() NXP Semiconductors |
![]() Audio Amplifiers POWER AMPL + STABI |
![]() Data Sheet |
![]() Negotiable |
|
||||
![]() |
![]() TDA8588BJ/N3,112 |
![]() NXP Semiconductors |
![]() Audio Amplifiers POWER AMPL + STABI |
![]() Data Sheet |
![]() Negotiable |
|
||||
(Hong Kong)










