Product Summary
The MTD2955VT4G is a 12 A, 60 V, P-Channel Power MOSFET which is designed to withstand high energy in the avalanche and commutation modes. Designed for low voltage, high speed switching applications in power supplies, converters and power motor controls, the MTD2955VT4G is particularly well suited for bridge circuits where diode speed and commutating safe operating areas are critical and offer additional safety margin against unexpected voltage transients.
Parametrics
MTD2955VT4G absolute maximum ratings: (1)Drain-to-Source Voltage: 60 Vdc; (2)Drain-to-Gate Voltage (RGS = 1.0 MΩ): 60 Vdc; (3)Gate-to-Source Voltage: Continuous, ± 20 Vdc; Non-repetitive (tp ≤ 10 ms), ± 25 Vpk; (4)Drain Current - Continuous: 12 Adc; (5)Drain Current -Continuous @ 100℃: 8.0 Adc; (6)Drain Current - Single Pulse (tp ≤ 10 μs): 42 Apk; (7)Total Power Dissipation: 60 W; (8)Derate above 25℃: 0.4 W/℃; (9)Total Power Dissipation @ 25℃ (Note 2): 2.1 W; (10)Operating and Storage Temperature Range: -55 to 175℃.
Features
MTD2955VT4G features: (1)Avalanche Energy Specified; (2)IDSS and VDS(on) Specified at Elevated Temperature; (3)Pb?Free Packages are Available.
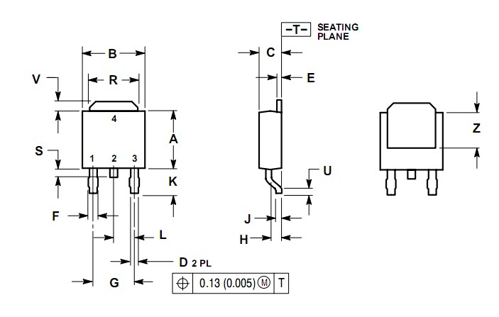
Diagrams

![]() |
![]() MTD2001 |
![]() Other |
![]() |
![]() Data Sheet |
![]() Negotiable |
|
||||
![]() |
![]() MTD2001-4101 |
![]() Shindengen |
![]() Other Power Management VCEO=60 IO=1.5 PT=5 |
![]() Data Sheet |
![]() Negotiable |
|
||||
![]() |
![]() MTD2001-4102 |
![]() Shindengen |
![]() Other Power Management VCEO=60 IO=1.5 PT=5 |
![]() Data Sheet |
![]() Negotiable |
|
||||
![]() |
![]() MTD2001-4103 |
![]() Shindengen |
![]() Other Power Management VCEO=60 IO=1.5 PT=5 |
![]() Data Sheet |
![]() Negotiable |
|
||||
![]() |
![]() MTD2001-7101 |
![]() Shindengen |
![]() Other Power Management VCEO=60 IO=1.5 PT=5 |
![]() Data Sheet |
![]() Negotiable |
|
||||
![]() |
![]() MTD2001-7102 |
![]() Shindengen |
![]() Other Power Management VCEO=60 IO=1.5 PT=5 |
![]() Data Sheet |
![]() Negotiable |
|
||||
(Hong Kong)








