Product Summary
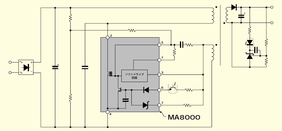
The MA8630 is an Integrated Circuit.
Parametrics
MA8630 specification: (1)Vin: 600V; (2)Lin: 8A; (3)PD: 3W at Ta=25℃; 22W at Tc=100℃; (4)Po: 80W at Vin=85~132V.
Diagrams

Integrated Circuit, ZIP, 600V, 8A, 3W, Shindengen Electric Mfg.Co.Ltd
Place orders confidently and securely via it
The MA8630 is an Integrated Circuit.
MA8630 specification: (1)Vin: 600V; (2)Lin: 8A; (3)PD: 3W at Ta=25℃; 22W at Tc=100℃; (4)Po: 80W at Vin=85~132V.
