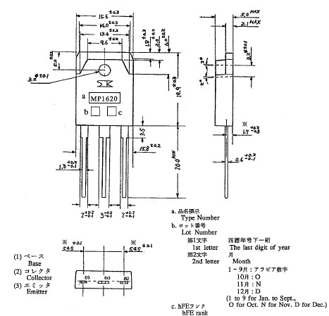
Product Summary
The MP1620 is a SANKEN mold type silicon power transistor.
Parametrics
MP1620 absolute maximum ratings: (1)VCBO: -160V; (2)VCEO: -150V; (3)VEBO: -5V; (4)IC: -10A; (5)IB: -1A; (6)PC: 150W(Tc=25℃); (7)Tj: 150℃; (8)Tstg: -55 to +150℃.
Features
MP1620 electrical characteristic: (1)ICBO: MAX=-100μA at VCB=-160V, IE=0A; (2)IEBO: MAX=-100μA at VEB=-5V, IC=0A; (3)VCEO: MIN=-150V at IC=-30mA; (4)hFE: MIN=5000, MAX=30000 at VCE=-4V, IC=-7A; (5)VCE(sat): MAX=-2.5V at IC=-7A, IB=-7mA; (6)VBE(sat): MAX=-3.0V at IC=-7A, IB=-7mA; (7)fT: TYP=50MHz at VCE=-12V, IE=2A; (8)Cob: TYP=230pF at VCB=10V, IE=0A, f=1MHz.
Diagrams

![]() |
![]() MP1601 |
![]() Other |
![]() |
![]() Data Sheet |
![]() Negotiable |
|
||||||||||||
![]() |
![]() MP1602 |
![]() Other |
![]() |
![]() Data Sheet |
![]() Negotiable |
|
||||||||||||
![]() |
![]() MP1604 |
![]() Other |
![]() |
![]() Data Sheet |
![]() Negotiable |
|
||||||||||||
![]() |
![]() MP160A-E |
![]() CTS Electronic Components |
![]() Crystals 16MHz 20pF 30ppm -40/85 |
![]() Data Sheet |
![]()
|
|
||||||||||||
![]() |
![]() MP160B-E |
![]() CTS Electronic Components |
![]() Crystals 16MHz 18pF 30ppm -40/85 |
![]() Data Sheet |
![]()
|
|
||||||||||||
![]() |
![]() MP16DTANRK |
![]() TE Connectivity |
![]() Basic / Snap Action / Limit Switches NORM ROLLERSL MINI SNAP ACTION SWT |
![]() Data Sheet |
![]()
|
|
||||||||||||
(Hong Kong)









