Product Summary
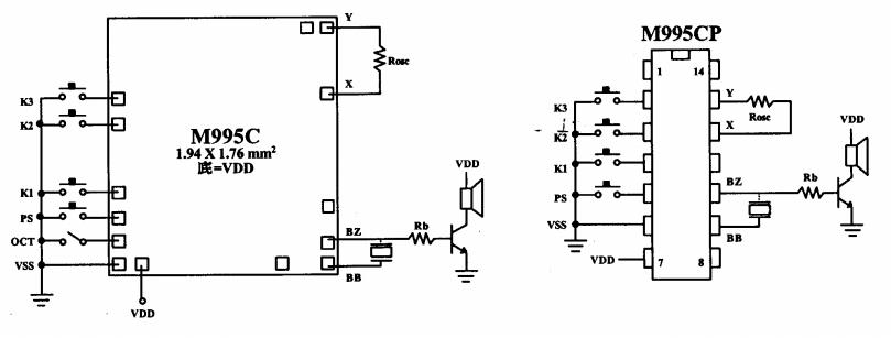
The M995C-DB2 is a Dual chord IC. The applications of it are melody toys, musical instrument.
Parametrics
M995C-DB2 absolute maximum ratings: (1)operating voltage:3V to 3.5V; (2)operating current:10mA; (3)quiescent current:1uA to 5uA; (4)BZ driving current:1mA; (5)oscillator frequency:100KHz or 80KHz; (6)operating temperature:0 to 60℃.
Features
M995C-DB2 features: (1)265 notes dual tone; (2)PS: sequence input; (3)K1, K2, K3: song select; (4)OCT: 8 scale up.
Diagrams

![]() |
![]() M995B |
![]() Other |
![]() |
![]() Data Sheet |
![]() Negotiable |
|
||||
(Hong Kong)








