Product Summary
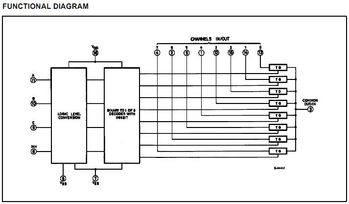
The HCF4051 is a monolithic integrated circuit fabricated in Metal Oxide Semiconductor technology available in DIP and SOP packages. The HCF4051 analog multiplexer/demultiplexer is a digitally controlled analog switch having low ON impedance and very low OFF leakage current. This multiplexer circuit dissipate extremely low quiescent power over the full VDD -VSS and VDD -VEE supply voltage range, independent of the logic state of the control signals. When a logic 1 is present at the inhibit input terminal all channel are off. This device HCF4051 is a single 8-channel multiplexer having three binary control inputs, A, B, and C, and an inhibit input. The three binary signals select 1 of 8 channels to be turned on, and connect one of the 8 inputs to the output.
Parametrics
HCF4051 absolute maximum ratings: (1)VDD, Supply Voltage: -0.5 to +22 V; (2)VI, DC Input Voltage: -0.5 to VDD + 0.5 V; (3)II, DC Input Current: ± 10 mA; (4)PD, Power Dissipation per Package: 500 mW; (5)Power Dissipation per Output Transistor: 100 mW; (6)Top, Operating Temperature: -55 to +125℃; (7)Tstg, Storage Temperature: -65 to +150℃.
Features
HCF4051 features: (1)low on resistance: 125Ω (Typ.) over 15V p.p signal-input range for VDD -VEE = 15V; (2)high off resistance: channel leakage ± 100pA (Typ.) at VDD -VEE =18V; (3)binary address decoding on chip; (4)high degree of linearity: < 0.5% distortion TYP. at fIS =1KHz,VIS =5Vpp, VDD -VSS > 10V, RL = 10KΩ; (5)very low quiescent power dissipation under all digital control input and supply conditions: 0.2 μW(Typ.) at VDD -VSS =VDD -VEE =10V; (6)matched switch characteristics: RON =5Ω (Typ.) for VDD -VEE = 15V; (7)wide range of digital and analog signal levels: digital 3 to 20, analog to 20V p.p.; (8)quiescent current specified up to 20V; (9)5V, 10V and 15V parametric ratings; (10)input leakage current II= 100nA (MAX) at VDD =18VTA = 25℃; (11)100% tested for quiescent current; (12)meets all requirements of jedec jesd13b standard specifications for description of b series cmos devices.
Diagrams

| Image | Part No | Mfg | Description | ![]() |
Pricing (USD) |
Quantity | ||||||||||||
|---|---|---|---|---|---|---|---|---|---|---|---|---|---|---|---|---|---|---|
![]() |
![]() HCF4051BM1 |
![]() STMicroelectronics |
![]() Multiplexer Switch ICs 8-Ch Ana Mult/Demult |
![]() Data Sheet |
![]() Negotiable |
|
||||||||||||
![]() |
![]() HCF4051M013TR |
![]() STMicroelectronics |
![]() Multiplexer Switch ICs 8-Ch Ana Mult/Demult |
![]() Data Sheet |
![]()
|
|
||||||||||||
![]() |
![]() HCF4051BEY |
![]() STMicroelectronics |
![]() Multiplexer Switch ICs 8-Ch Ana Mult/Demult |
![]() Data Sheet |
![]()
|
|
||||||||||||
(Hong Kong)









