Product Summary
The 2SK2698 is a TOSHIBA field effect transistor silicon N channel MOS type. It is designed for DC8722; DC Converter, Relay Drive and Motor Drive Applications.
Parametrics
2SK2698 maximum ratings: (1)Drain-source-voltage VDSS: 500 V; (2)Drain-gate-voltage (RGS = 20 kΩ) VDGR: 500V; (3)Gate-source voltage VGSS: ±30 V; (4)DC ID: 15 A; (5)Drain current Pulse IDP: 60 A; (6)Drain power dissipation (Tc = 25℃) PD: 150 W; (7)Single pulse avalanche energy: EAS 630 mJ; (8)Avalanche current IAR: 15 A; (9)Repetitive avalanche energy EAR: 15 mJ; (10)Channel temperature Tch: 150 ℃; (11)Storage temperature range Tstg: -55 to 150 ℃.
Features
2SK2698 features: (1)Low drain-source ON resistance : RDS (ON) = 0.35 Ω (typ.); (2)High forward transfer admittance : |Yfs| = 11 S (typ.); (3)Low leakage current: IDSS = 100 μA (max) (VDS = 500 V); (4)Enhancement.mode : Vth = 2.0~4.0 V (VDS = 10 V, ID = 1 mA).
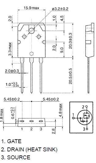
Diagrams

| Image | Part No | Mfg | Description | ![]() |
Pricing (USD) |
Quantity | ||||
|---|---|---|---|---|---|---|---|---|---|---|
![]() |
![]() 2SK2698 |
![]() Other |
![]() |
![]() Data Sheet |
![]() Negotiable |
|
||||
![]() |
![]() 2SK2698(F,T) |
![]() Toshiba |
![]() MOSFET N-Ch 500V 15A Rdson 0.4 Ohm |
![]() Data Sheet |
![]() Negotiable |
|
||||
![]() |
![]() 2SK2698(T) |
![]() |
![]() MOSFET N-CH 500V 15A TO-3PN |
![]() Data Sheet |
![]() Negotiable |
|
||||
(Hong Kong)










