Product Summary
The V48A28C500A is a DC-DC converter module. The V48A28C500A uses 2nd Generation power processing, control and packaging technologies to provide the performance, flexibility and cost effectiveness expected of a mature power component. For example, a plated-cavity core transformer couples widely separated primary and secondary windings, resulting in low in-to-out parasitic capacitance and noise. High frequency ZCS/ZVS switching, advanced power semiconductor packaging and thermal management provide high power density with low temperature gradients.
Parametrics
V48A28C500A absolute maximum ratings: (1)+In to –In voltage: -0.5 to +75 Vdc; (2)+In to –In voltage: 100 Vdc; (3)PC to –In voltage: -0.5 to +7.0 Vdc; (4)PR to –In voltage: -0.5 to +7.0 Vdc; (5)+Out to –Out voltage: -0.5 to +36.9 Vdc; (6)+Sense to –Out voltage: -0.5 to +36.9 Vdc; (7)–Sense to –Out voltage: 1.0 Vdc; (8)SC to –Out voltage: -0.5 to +1.5 Vdc; (9)Isolation voltage (in to out): 2000 Vrms; (10)Isolation voltage (in to base): 1550 Vrms; (11)Isolation voltage (out to base): 500 Vrms; (12)Storage temperature (C–Grade): -40 to +125 ℃; (13)Operating temperature (C–Grade): -20 to +100 ℃; (14)Pin soldering temperature 500 (260) (℃); (15)Pin soldering temperature 750 (390) (℃); (16)Mounting torque: 5 (0.57) in-lbs (N-m).
Features
V48A28C500A features: (1)DC input range: 36 - 75V; (2)Input surge withstand: 100V for 100ms; (3)DC output: 28V; (4)Programmable output: 10 to 110%; (5)Regulation: ±0.2% no load to full load; (6)Efficiency: 89%; (7)Maximum operating temperature: 100℃ at full load; (8)Power density: 99W/cubic inch; (9)Height above board: 0.43 in. (10,9 mm); (10)Parallelable, with N+M fault tolerance; (11)Low noise ZCS/ZVS architecture.
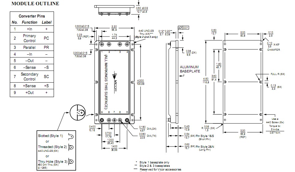
Diagrams

![]() |
![]() V48A12C150B |
![]() Other |
![]() |
![]() Data Sheet |
![]() Negotiable |
|
||||||
![]() |
![]() V48A12C500B |
![]() |
![]() CONVERTER MOD DC/DC 12V 500W |
![]() Data Sheet |
![]()
|
|
||||||
![]() |
![]() V48A12C500B2 |
![]() |
![]() CONVERTER MOD DC/DC 12V 500W |
![]() Data Sheet |
![]()
|
|
||||||
![]() |
![]() V48A12C500B3 |
![]() |
![]() CONVERTER MOD DC/DC 12V 500W |
![]() Data Sheet |
![]()
|
|
||||||
![]() |
![]() V48A12C500BF |
![]() |
![]() CONVERTER MOD DC/DC 12V 500W |
![]() Data Sheet |
![]()
|
|
||||||
![]() |
![]() V48A12C500BF2 |
![]() |
![]() CONVERTER MOD DC/DC 12V 500W |
![]() Data Sheet |
![]()
|
|
||||||
(Hong Kong)









