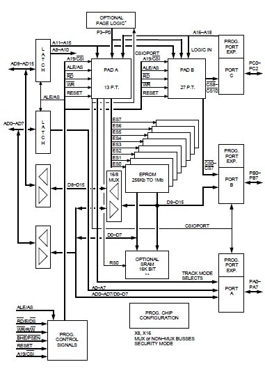
Product Summary
The low cost PSD313-B-70J integrates high-performance and user-configurable blocks of EPROM, programmable logic, and optional SRAM into one part. The PSD313-B-70J also provides a powerful microcontroller interface that eliminates the need for external glue logic. The part integration, small form factor, low power consumption, and ease of use make it the ideal part for interfacing to virtually any microcontroller.
Parametrics
PSD313-B-70J absolute maximum ratings: (1)TSTG Storage Temperature, CERDIP: – 65 to + 150 ℃; (2)PLASTIC: – 65 to + 125 ℃; (3)Voltage on any Pin With Respect to GND: – 0.6 to + 7 V; (4)VPP Programming Supply Voltage With Respect to GND: – 0.6 to + 14 V; (5)VCC Supply Voltage With Respect to GND: – 0.6 to + 7 V; (6)ESD Protection: >2000 V.
Features
PSD313-B-70J features: (1)Single Supply Voltage: – 5 V±10% for PSD3xx, ZPSD3xx, PSD3xxR, ZPSD3xxR; – 2.7 to 5.5 V for ZPSD3xxV, ZPSD3xxRV; (2)Up to 1 Mbit of EPROM; (3)Up to 16 Kbit SRAM; (4)Input Latches; (5)Programmable I/O ports; (6)Page Logic; (7)Programmable Security.
Diagrams

![]() |
![]() PSD301B-70J |
![]() STMicroelectronics |
![]() SPLD - Simple Programmable Logic Devices PLCC-44 5V 256K 70NS |
![]() Data Sheet |
![]() Negotiable |
|
||||
![]() |
![]() PSD301B-70U |
![]() STMicroelectronics |
![]() SPLD - Simple Programmable Logic Devices 5.0V 256K 70ns |
![]() Data Sheet |
![]() Negotiable |
|
||||
![]() |
![]() PSD302B-70J |
![]() STMicroelectronics |
![]() SPLD - Simple Programmable Logic Devices U 511-ZPSD302B-70J |
![]() Data Sheet |
![]() Negotiable |
|
||||
![]() |
![]() PSD303B-70J |
![]() STMicroelectronics |
![]() SPLD - Simple Programmable Logic Devices 5V 1M 70ns |
![]() Data Sheet |
![]() Negotiable |
|
||||
![]() |
![]() PSD303B-70M |
![]() STMicroelectronics |
![]() SPLD - Simple Programmable Logic Devices 5.0V 1M 70ns |
![]() Data Sheet |
![]() Negotiable |
|
||||
![]() |
![]() PSD311B-70J |
![]() STMicroelectronics |
![]() SPLD - Simple Programmable Logic Devices 5.0V 256K 70ns |
![]() Data Sheet |
![]() Negotiable |
|
||||
(Hong Kong)









