Product Summary
The AM188ER-40KC/W is a 16-Bit Embedded Microcontroller. The AM188ER-40KC/W has been designed to meet the most common requirements of embedded products developed for the office automation, mass storage, and communications markets. Specific applications of the AM188ER-40KC/W include disk drives, hand-held and desktop terminals, set-top controllers, fax machines, printers, photocopiers, feature phones, cellular phones, PBXs, multiplexers, modems, and industrial controls.
Parametrics
AM188ER-40KC/W absolute maximum ratings: (1)Storage temperature:-65℃ to +125℃; (2)Voltage on any pin with respect to ground:-0.5V to VCC+0.5V; (3)Commercial (TC):0℃ to +100℃; (4)Industrial* (TA):–40℃ to +85℃; (5)VCC up to 33 MHz:5 V ± 10%; (6)VCC greater than 33 MHz:5 V ± 5%.
Features
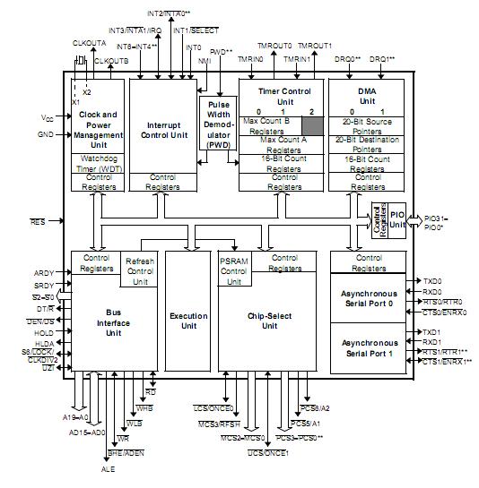
AM188ER-40KC/W features: (1)Lower system cost with higher performance; (2)20-, 25-, 33-, and 40-MHz operating frequencies; (3)Supports zero-wait-state operation at 40 MHz with 70-ns static memory; (4)1-Mbyte memory address space; (5)64-Kbyte I/O space; (6)Nonmultiplexed address bus; (7)Processor operates at the clock input frequency; (8)On the Am186ES/ESLV microcontroller, 8-bit or 16-bit memory and I/O static bus option; (9)Thirty-two programmable I/O (PIO) pins; (10)Two full-featured asynchronous serial ports allow full-duplex, 7-bit, 8-bit, or 9-bit data transfers; (11)Multidrop 9-bit serial port protocol; (12)Independent serial port baud rate generators; (13)DMA to and from the serial ports; (14)Watchdog timer can generate NMI or reset; (15)A pulse-width demodulation option; (16)A data strobe, true asynchronous bus interface option included for DEN; (17)Pseudo static RAM (PSRAM) controller includes auto refresh capability; (18)Reset configuration register; (19)Two independent DMA channels; (20)Programmable interrupt controller with up to eight external and eight internal interrupts; (21)Three programmable 16-bit timers; (22)Programmable memory and peripheral chip-select logic; (23)Programmable wait state generator; (24)Power-save clock divider.
Diagrams

![]() |
![]() AM1802BZCED3 |
![]() Texas Instruments |
![]() Microprocessors (MPU) Sitara ARM MCU |
![]() Data Sheet |
![]()
|
|
||||||||||||
![]() |
![]() AM1802BZWTD3 |
![]() Texas Instruments |
![]() Microprocessors (MPU) Sitara ARM MCU |
![]() Data Sheet |
![]()
|
|
||||||||||||
![]() |
![]() AM1806BZCE3 |
![]() Texas Instruments |
![]() Microprocessors (MPU) ARM MicroProc |
![]() Data Sheet |
![]()
|
|
||||||||||||
![]() |
![]() AM1806BZCE4 |
![]() Texas Instruments |
![]() Microprocessors (MPU) ARM MicroProc |
![]() Data Sheet |
![]()
|
|
||||||||||||
![]() |
![]() AM1806BZCEA3 |
![]() Texas Instruments |
![]() Microprocessors (MPU) ARM MicroProc |
![]() Data Sheet |
![]()
|
|
||||||||||||
![]() |
![]() AM1806BZCED4 |
![]() Texas Instruments |
![]() Microprocessors (MPU) ARM MicroProc |
![]() Data Sheet |
![]()
|
|
||||||||||||
(Hong Kong)









